歡迎訪問深圳市91黄瓜视频在线观看電子科技有限公司官網!

深圳市91黄瓜视频在线观看電子科技有限公司

ø22mm帽式黄瓜视频成人在线观看
全國服務熱線133 2298 6436
  • ZSR022-24D帽式91黄瓜视频在线观看24線(法蘭盤在中間)
  • ZSR022-24D帽式91黄瓜视频在线观看24線(法蘭盤在中間)1.jpg

ZSR022-24D帽式91黄瓜视频在线观看24線(法蘭盤在中間) 類別:ø22mm帽式黄瓜视频成人在线观看

  • 通路數24 線
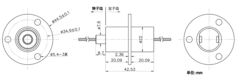
  • 外徑x長度(mm)ø22 mm
  • 電壓( AC/DC)0~240 VDC/VAC
  • 轉速範圍0-250rpm
  • 額定電流2安/線
  • 觸點材料貴金屬:金-金

使用與安裝方式QQ支持:1198705312

谘詢客服,91黄瓜视频在线观看為您推薦最適合你的產品!

ZSR022-24D帽式91黄瓜视频在线观看24線產品特點:
1、 精密緊湊的內部結構設計360°旋轉通電,導線不會相互纏繞,不絞斷線;
2、 穩定平滑、低扭力的順暢運行可同時對電信號、高清視頻、高頻信號、指令控製、數據傳輸、伺服電機等多種信號、功率的混合傳輸;
3、導電環采用V槽設計經軍工級進口耐磨金處理,保證極低電阻波動和超長工作壽命

產品圖紙


技術參數


技術參數

通路數(線數)

24線

額定電

2安/線

外  徑

ø22mm 

轉速範圍

0-250rpm

認  證

CE、RoHS

工作溫度

-20℃+60℃

觸點材質

貴金屬:金-金

外殼材料

工程塑料或金屬材質

額定電壓

0~240 VDC/VAC

防護等級

IP51(更高需求可定製)

絕緣電阻

500MΩ@250VDC/AC

耐壓強度

500V@50HZ,60s無擊穿

防護等級

IP51(更高需求可定製)

導線長度

250mm,可以定製線長、線徑、顏色

導電環材質

低電阻耐磨合金、貴金屬材質 

導線規格

耐高溫鐵氟龍 #AWG28# 低電阻鍍銀鐵氟龍線

注意:1、產品使用壽命和工作速度、工作溫度、濕度及負載等使用條件強相關.

           2、電氣噪音與工作轉速,電流,電壓精密相關.


導線色碼


導線色碼表
環數 1
2 3 4 5 6
顏色  黑   褐   紅   橙   黃   綠 
環數        10  11  12
顏色  灰   白  粉紅 淺藍
環數 13 14 15 16 17 18
顏色
白黑 白褐 白紅 白橙 白黃 白綠
環數
19 20 21 22
23 24
顏色
 白藍   白紫   白灰   透明   白粉  白淺藍
注意:如果您需要的線數超過了91黄瓜视频在线观看表格中的顏色數量,91黄瓜视频在线观看將會按表格順序依次重複顏色,並在產品完成後使用套管區分標識。

■ 環路數                                       ■ 外殼材料

■ 防護等級                                   ■ 更高轉數

■ 導線長度                                   ■ 端子接插件

■ 專用導線                                   ■ 工作溫度

■ 防鹽霧

■ 外殼可反裝

■ 閉路監控雲台

■ 機械手

■ 醫療衛生設備

■ 旋轉工作平台

■ 流水線生產、工業控製設備


網站地圖